На написание этой статьи нас подвигло большое количество вопросов, задаваемых пользователями микшеров Behringer X32, а также Midas M32 (далее X32/M32), относительно некоторых нюансов внутренней коммутации. Обе модели микшеров широко известны, выпускаются давно и пользуются заслуженным уважением, благодаря очень серьёзным возможностям при сравнительно низкой цене. Внутренний роутинг моделей X32/M32 относится к одним из достоинств этих микшеров, но, к сожалению, не описан подробно. Разумеется, при наличии доступа к микшеру, не составляет проблемы методом проб и ошибок разобраться в его внутренней структуре. Тем не менее, вопросы возникают даже у людей, знакомых с микшером. Для тех же, кто только планирует покупку и пытается оценить возможности этих моделей, ситуация будет совсем не простая. Одним словом, если читатель - опытный специалист и давно работает на X32/M32, данная статья вряд ли откроет ему что-то новое, а вот начинающему или потенциальному пользователю, надеемся, она будет полезна.
Человек, который захочет узнать о возможностях внутренней коммутации в X32/M32, вероятно, начнёт с чтения мануала. Инструкция честно описывает, какой регулятор надо покрутить и для выбора каких параметров, но без пояснения общей картины. Кроме того, описание назначения некоторых параметров слишком размыто и может быть истолковано пользователем ошибочно. Обычно в таких случаях помогает хорошая блок-схема, способная сказать больше многостраничного мануала. Однако на блок-схеме микшера в инструкции весь патчинг со всеми его нюансами обозначен двумя прямоугольниками: большим тёмным с надписью “DSP PATCH” и белым “I/O PATCH”поменьше. В прямоугольники приходит целый сонм сигналов, и понять какую-то логику их прохождения совершенно невозможно. Есть ещё вариант скачать программу управления и постараться разобраться с патчингом, используя её интерфейс. Но и здесь не у всех получится с первого раза понять, почему на одной из закладок назначаются сигналы на 16 выходов, а потом находится ещё одна закладка, где снова предлагается коммутировать сигнал на 16 выходов XLR. Но хватит лирики, перейдём к сухой физике.
Если формулировать в двух словах, то основной особенностью роутинга в моделях X32/M32, является то, что на пути сигнала от физического входа к каналу микшера или от шины к физическому выходу микшера находится не один, а два коммутатора. Просто подключить шину к выходу XLR не получится, если только одна из двух настроек не окажется правильной изначально. А в принципе, необходимо выполнить или проверить оба назначения. Аналогично и с входными сигналами. Подключая к каналу микшера один из 32 входных сигналов, надо понимать, что это совсем не обязательно будет сигнал с микрофонного входа.
В сильно упрощённом виде блок-схему микшера X32/M32 можно представить следующим образом.

Голубым цветом обозначен “I/O PATCH”. Его входной коммутатор 1 выбирает, какие из физических входов могут быть использованы для назначения в каналы. Выходной коммутатор 4 выбирает, какие из отобранных коммутатором 3 выходных сигналов микшера могут быть поданы на физические выходы.
Здесь необходимо пояснить, для чего это было сделано. Есть в работе входного и выходного коммутатора ограничение, которое некоторые считают неудобным: сигнал коммутируется не индивидуально для каждого входа или выхода, а блоками по 8 входов на 8 выходов. Дело в том, что при разработке платформы X32/M32 с одной стороны закладывались весьма высокие характеристики, но в то же время были серьёзные ограничения по цене, так как микшер планировался как массовый и очень доступный. И действительно, что касается оснащения по входам и выходам, то оно впечатляет: 38 аналоговых входов и 22 аналоговых выхода, два порта AES50 в каждом по 48 входных и выходных каналов, слот карты на 32 входных и выходных канала, 16 выходных каналов ULTRANET и два AES/EBU. Одним словом, общее количество поддерживаемых входов достигает 167, а выходов 168. К входным каналам микшера могут быть подключены не только физические входы, но и внутренние сигналы. Всего получается 195 источников. Если предположить прямой патчинг на 40 каналов микшера, то путём нехитрого вычисления можно увидеть, что матрица коммутации с любого входа на любой канал должна была бы содержать 7800 логических свитчей. С выходной матрицей ещё веселее, там потребовалось бы 22 600 свитчей. В принципе, в этом нет ничего невозможного, пульты Midas серии Pro позволяют выполнять произвольный патчинг, но совершенно другой ценой, что в данном случае было недопустимо. В результате было принято компромиссное решение, разделить коммутацию на два уровня и в первом, “внешнем” уровне, выбирающем входы и выходы, коммутировать 8-канальные потоки. Это снизило количество логических свитчей до 105 на входе и 520 на выходе. Конечно, 8-канальные потоки имеют большую скорость данных, но для современных чипов это не проблема. Да в X32/M32 не получится использовать все сигналы с микрофонных входов, а, например, для каналов 31-32 с внешнего стейджбокса. Придётся переключить на стейджбокс группу из 8 каналов с 25 по 32. Но благодаря такому ограничению X32 и M32 не стоят как престижный автомобиль.
Вернёмся к упрощённой схеме. Сиреневым цветом на ней показаны матрицы 2 и 3, соединяющие отобранные входы и выходы непосредственно с самим микшером. Эти матрицы позволяют выбирать сигнал индивидуально для каждого входа микшера или выхода. Отдельный коммутатор 5 предназначен для работы с процессорами эффектов. Блоки 2,3 и 5 входят в состав “DSP PATCH” на диаграмме в руководстве по эксплуатации.
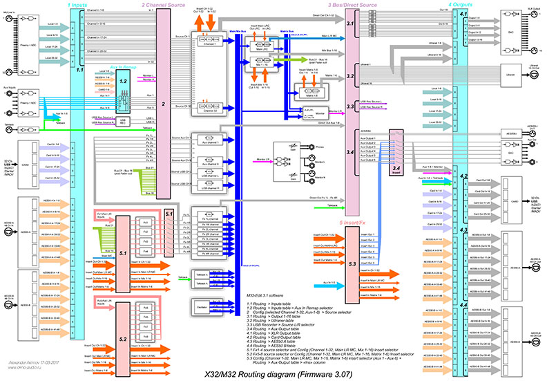
Теперь, когда мы осмотрели структуру микшера с высоты птичьего полёта, можно поговорить о ней более подробно. Для этого мы рекомендуем скачать детальную блок-схему коммутации сигналов по ссылке ниже. Изучение её пояснит многие моменты дальнейшего описания.

Полная блок-схема внутренней коммутации X32/M32 (Firmware 3.07)
Дадим краткое описание каждого из блоков коммутации в соответствии с номерами на схеме.
1.1 Входной коммутатор
Входной коммутатор подключает сигнал от физических входов на 32 выхода, которые расцениваются микшером, как источники для входных каналов. Для каждого блока выходов 1-8, 9-16, 17-24 и 25-32 можно выбрать сигналы с физических входов, также блоками по 8 каналов:
С аналогово-цифровых конверторов микрофонных входов Local 1-8, 9-16, 17-24 и 25-32
С входов карты, установленной в слот расширения Card 1-8, 9-16, 17-24 и 25-32
С входов порта AES50 A1-8, 9-16, 17-24, 25-32, 33-40 и 41-48
С входов порта AES50 B1-8, 9-16, 17-24, 25-32, 33-40 и 41-48
Управление входным коммутатором 1.1 происходит в разделе Routing (кнопка Routing) на закладке home. Обращаем внимание, что выходы этого коммутатора названы в интерфейсе как inputs 1-8, inputs 9-16, inputs 17-24 и inputs 25-32. Имеется в виду, что они могут быть подключены к входным каналам inputs микшера.
1.2 Переназначение входов Aux.
Аналоговые входы Aux 1-6 с разъёмами Jack имеют отдельную логику работы. Они по умолчанию подключены к внутренним каналам Aux 1-6 микшера, но имеется возможность подключить к входным каналам Aux и сигналы с 1 по 2, с 1 по 4 или с 1 по 6 от других входов. В случае, когда переключены только 2 или 4 входа, остальные продолжают получать сигнал от входов Aux Jack. Доступны следующие варианты переключений:
Aux Ins – каналы Aux микшера подключены к аналоговым входам Aux 1-6 Jack
Local 1-2, 1-4, 1-6 – каналы Aux микшера подключены к соответствующим микрофонным входам XLR
AES50 A1-2, A1-4, A1-6 – каналы Aux микшера подключены к соответствующим входам порта AES50-A
AES50 B1-2, B1-4, B1-6 – каналы Aux микшера подключены к соответствующим входам порта AES50-B
Card 1-2, 1-4, 1-6 – каналы Aux микшера подключены к соответствующим входам установленной в слот карты.
Управление входным коммутатором 1.2 происходит в разделе Routing (кнопка Routing) на закладке home, в отдельном поле Aux In Remap.
2 Коммутатор входных источников каналов Channel Source.
Коммутатор входных источников каналов позволяет выбрать сигнал для каждого канала пульта индивидуально. Для каждого из каналов доступно 64 варианта выбора:
Выходы коммутатора источников 1-32
Входы AUX 1-6 Jack
Выходы L/R со встроенного USB плеера
Выходы с внутренних процессоров эффектов FX1L/R, FX2L/R, FX3L/R, FX4L/R
Выходы с 16 внутренних шин Bus 01 – Bus 16
В интерфейсе микшера и программы управления с компьютера нет отдельной таблицы с назначением источников каналов. Источник назначается на экране выбранного канала (кнопка Home), в закладке config, параметр Source. Если вам нужно, чтобы каналы микшера можно было подключить к микрофонным входам XLR, то на все выходы коммутатора 1.1 должны быть назначены входы Local. В этом случае из любого канала микшера эти входы будут видны как In01 – In32.

Для назначения в каналы выбраны входы XLR микшера Local 1 – Local 32
Если в коммутаторе 1.1 выбрать блок AES50 A1-8, то в списке устройств канала возможные источники поменяются с In01-In08 на A01-A08.

Для назначения в каналы выбраны входы 1-8 порта AES50-A.
При выборе AES50 В или Card источники поменяются на B01-B08 или Crd01-Crd08 соответственно.
Выше было сказано о возможности в X32/M32 подключить к любому входному каналу выход любой из 16 Mix шин микшера. Это довольно необычная функция, которую можно использовать для дополнительной обработки или раздачи сигнала. При этом если к входу канала подключён выход шины, посыл в эту шину из такого канала отключается. Это автоматическая защита от создания ошибочной петли обратной связи.
5.1 Коммутатор процессоров эффектов с 1 по 4.
Первые 4 эффекта микшера отличаются по возможностям коммутации от процессоров с 6 по 8. Процессоры 1-4 могут быть подключены перед каналами возвратов FX Return или быть назначены в разрыв 32 основных каналов, а также в разрывы шин Mix 1-16 и Matrix 1-6. В базовой настройке первые 4 процессора получают моно сигнал с шин 13, 14, 15 и 16, а их стереовыходы подключены к стереоканалам FX. Эти внутренние каналы предназначены только для работы с процессорами, и выбрать для них другой источник сигнала невозможно. Ещё для возврата сигнала с процессоров эффектов можно использовать и любые другие каналы микшера. При этом необходимо знать, что если в других входных каналах выходы процессора выбраны как источник, это не отключит выходы процессора от каналов FX. В этом случае каналы FX придётся замьютировать.
Для установки процессора 1-4 в разрыв канала, его необходимо выбрать в соответствующем канале в экране Home (кнопка Home), на закладке config, параметр Insert. В результате разрыв этого канала появится на странице эффектов в списке возможных источников для данного процессора, где его необходимо выбрать, после чего можно включить Insert в канале. Процессор отключится от каналов возвратов, и сигнал будет проходить только через процессор в разрыве канала или шины.
Здесь есть ещё один момент, о котором лучше знать заранее. Если в канале выбран процессор для установки в разрыв и уже активирован инсерт, но при этом на странице эффектов инсерт для данного процессора не выбран, сигнал с процессора будет проходить и на вход FX Return микшера, и в активированный инсерт канала. Чтобы не поймать подобный глюк, можно посоветовать без надобности не оставлять в настройке Insert канала какой-либо процессор, а оставлять параметр OFF.
5.1 Коммутатор процессоров эффектов с 5 по 8.
С этими процессорами всё гораздо проще. Они работают только в разрыве 32 основных каналов, в разрывах шин Mix 1-16 и Matrix 1-6. Их можно назначить как из самого канала в экране Home (кнопка Home), на закладке config, параметр Insert, так и со страницы эффектов. Настройки равнозначны.
5.3 Коммутатор Aux Insert
Кроме процессора эффектов в Insert канала или любой шины можно назначить один из 6 аналоговых разрывов, для которых используются разъёмы Aux In и Aux Out. Для этого в настройках на экране Home (кнопка Home), на закладке config, параметр Insert надо выбрать Aux1 – Aux 6. При этом, как и в случае с назначением процессора эффектов, если Insert включен, то сигнал с входа Aux Jack сразу начинает поступать в Insert In канала. Для сигнала Insert Out надо подтвердить его вывод через Aux Jack коммутатором 3.4 в разделе Routing (кнопка Routing) на закладке aux out, выбрав для соответствующего выхода значение Insert.
Коммутатор выходных источников 3 Bus/Direct Source
В микшере X32/M32 имеются широкие возможности по выводу сигнала с шин или Direct-выходов каналов. Доступны следующие выходные сигналы микшера:
Выходы основных шин Main LRC
Выходы шин Mix Bus 1-16
Выходы шин Matrix 1-6
Выходы Direct Out основных каналов 1-32
Выходы Direct Out каналов Aux 1-8
Выходы Direct Out каналов возвратов FX1 L/R-FX8 L/R
Сигнал мониторной шины и Talkback.
Стоит отметить, что для всех вышеперечисленных сигналов имеется 9 (!) вариантов точек отбора, которые настраиваются индивидуально для каждого выхода коммутатора. Все сигналы, кроме AES/EBU, подключены далее к выходному коммутатору 4, при этом сигналы для выходов Ultranet, Aux 1-6 и AES/EBU идут к своим выходам напрямую.
3.1 Коммутатор выходных источников для XLR выходов 1-16.
Для этого коммутатора доступны все перечисленные выше выходные сигналы с микшера, а его выходы используются как источники для физических выходов XLR, но дополнительно могут перенаправляться коммутатором выходов 4 и на другие физические разъёмы.
Управление выходным коммутатором 3.1 происходит в разделе Routing (кнопка Routing) на закладке out 1-16. На дисплее эти выходы подписаны как Analog Output, хотя, по сути, ими не являются. J Просто по умолчанию они предназначены для использования с аналоговыми выходами XLR микшера. Назначая сигнал на выходы Out 1-16, не забывайте проверить их дальнейшее назначение в коммутаторе 4. Для того чтобы эти сигналы попали на выходы XLR, они должны быть выбраны в коммутаторе 4.1 в разделе Routing (кнопка Routing) на закладке xlr out на соответствующие группы выходов XLR как Out 1-4, Out 5-8, Out 9-12, Out 13-16. Если для вывода через разъёмы XLR в коммутаторе 4.1 выбраны другие сигналы, например Ultranet, то выходы коммутатора 3.1 отмечаются звёздочкой *. Рядом появляется комментарий на английском, что * эти выходы не подключены ни к одному физическому выходу этого устройства, надо проверить таблицу подключений XLR выходов. Данный комментарий не вполне корректный относительно логики работы микшера и его следует понимать, как * эти выходы не подключены ни к одному физическому выходу XLR, надо проверить таблицу подключений XLR выходов.

Через выходы XLR 1-4 выведены сигналы Ultranet P16 1-4. Выходы 1-4 коммутатора Out 1-16 отключены от выходов XLR и отмечены *.
3.2 Коммутатор выходов Ultranet
Для этого коммутатора доступны все перечисленные выше выходные сигналы микшера, которые будут поданы на выход Ultranet. Кроме этого каналы Ultranet могут дополнительно перенаправляться коммутатором выходов 4 на другие физические разъёмы.
Управление выходным коммутатором 3.2 происходит в разделе Routing (кнопка Routing) на закладке ultranet.
3.3 Коммутатор входов USB рекордера.
Все вышеперечисленные выходные сигналы микшера могут быть назначены для записи на встроенный USB рекордер. Назначение происходи в окне рекордера.
3.4 Коммутатор выходов Aux 1-6
Для этого коммутатора доступны все перечисленные выше выходные сигналы микшера, которые будут поданы на выходы Aux 1-6. К выходам 1-6 также могут быть подключены выходы Insert, назначенные в канале или шине. Сигналы выходов Aux 1-6 также подаются на выходной коммутатор 4 для назначения на другие физические разъёмы.
Управление входным коммутатором 3.4 происходит в разделе Routing (кнопка Routing) на закладке aux out.
Выходной коммутатор 4
Как и входной коммутатор 1, выходной коммутатор 4 производит коммутацию блоками по 8 каналов (для XLR выходов блоками по 4 канала). Главной особенностью выходного коммутатора 4 является то, что он обладает функциями роутера, так как позволяет подключить к физическим выходам микшера не только все сигналы, выбранные предыдущим коммутатором 3, но и сигналы от всех физических входов. Благодаря этому можно перенаправлять часть сигналов, вообще минуя микшер. Например, нет ничего невозможного в записи многоканального сигнала с входов стейджбокса порта AES50-A через карту USB и воспроизведении его через карту USB и другой стейджбокс порта AES50-B. При этом ни каналы микшера, ни его шины задействованы никак не будут.

Пример работы выходного коммутатора в качестве роутера
4.1 Коммутатор выходов XLR 1-16
Чтобы обеспечить большую гибкость, этот коммутатор позволяет назначать группы не по 8, а по 4 канала. Для назначения доступны все сигналы, выбранные предыдущим коммутатором 3 (кроме AES/EBU), и сигналы от всех физических входов микшера. Настройка производится в разделе Routing (кнопка Routing) на закладке xlr out.
4.2 Коммутатор выходов на карту
Этот коммутатор позволяет назначать выходные сигналы на установленную в пульт карту расширения группами по 8 каналов. Для назначения доступны все сигналы, выбранные предыдущим коммутатором 3 (кроме AES/EBU), и сигналы от всех физических входов. Настройка производится в разделе Routing (кнопка Routing) на закладке card out.
4.3 и 4.4 Коммутаторы выходов AES50-A и AES50-B
Эти коммутаторы позволяют назначать выходные сигналы для двух портов AES50 группами по 8 каналов. Для назначения доступны все сигналы, выбранные предыдущим коммутатором 3 (кроме AES/EBU), и сигналы от всех физических входов. Настройка производится в разделе Routing (кнопка Routing) на двух закладках aes50-a и aes50-b.
В заключение отметим, что разработчики X32/M32 активно развивают данные модели за счёт постоянных обновлений программного обеспечения. Нужно иметь в виду, что со временем в микшерах появятся новые возможности, а интерфейс может измениться. Поэтому всё написанное выше на 100% соответствует только ситуации на текущий момент. На этом, пожалуй, всё. Надеемся, что теперь в вопросе патчинга X32/M32 для вас не осталось белых пятен.